Beranda
/ Hasil Pengukuran Mikrometer Sekrup Pada Gambar Berikut Adalah : Mikrometer Sekrup Penjelasan Cara Menggunakan Dan Cara Membaca / Pada gambar, skala utama bagian atas menunjukkan kelipatan 1 mm, sementara bagian bawahnya berfungsi untuk menunjukkan kelipatan 0,5 mm.
Hasil Pengukuran Mikrometer Sekrup Pada Gambar Berikut Adalah : Mikrometer Sekrup Penjelasan Cara Menggunakan Dan Cara Membaca / Pada gambar, skala utama bagian atas menunjukkan kelipatan 1 mm, sementara bagian bawahnya berfungsi untuk menunjukkan kelipatan 0,5 mm.
Hasil Pengukuran Mikrometer Sekrup Pada Gambar Berikut Adalah : Mikrometer Sekrup Penjelasan Cara Menggunakan Dan Cara Membaca / Pada gambar, skala utama bagian atas menunjukkan kelipatan 1 mm, sementara bagian bawahnya berfungsi untuk menunjukkan kelipatan 0,5 mm.. Maka, hasil akhir pengukuran mikrometer sekrup pada contoh ini adalah 5.5 + 0.28 = 5.78mm. Over 80% new & buy it now; Skala tetap = 4 × 1 mm = 4 mm. Mikrometer sekrup digunakan untuk mengukur ketebalan pelat logam dan diameter bola. Melihat skala utama (horizontal) pada bagian atas dan bawahnya.
Maka, hasil akhir pengukuran mikrometer sekrup pada contoh ini adalah 5.5 + 0.28 = 5.78mm. Mikrometer sekrup mempunyai skala utama dan skala nonius/putar. Mar 11, 2021 · soal 2. Cara membaca mikrometer sekrup adalah. Mikrometer sekrup digunakan untuk mengukur ketebalan pelat logam dan diameter bola.
Gambar Di Bawah Menunjukan Pembacaan Skala Mikrome from core-ruangguru.s3.amazonaws.com Mar 11, 2021 · soal 2. Skala nonius = 46 × 0,01 mm = 0,46mm. Skala nonius = 30 × 0,01 mm = 0,30 mm. Jun 21, 2021 · 36+ contoh soal hasil pengukuran mikrometer sekrup pada gambar berikut adalah. Mikrometer sekrup mempunyai skala utama dan skala nonius/putar. Skala terkecil mikrometer sekrup adalah 0,01 mm dan ketelitiannya sebesar 0,005 mm. Mikrometer sekrup pada umumnya digunakan untuk mengukur diameter atau ketebalan suatu benda yang ukurannya kecil. This is the new ebay.
Jul 29, 2018 · cara membaca hasil pengukuran mikrometer sekrup adalah sebagai berikut.
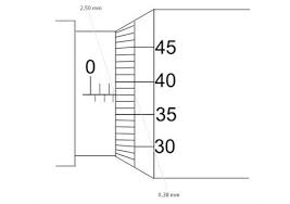
Pada gambar, skala utama bagian atas menunjukkan kelipatan 1 mm, sementara bagian bawahnya berfungsi untuk menunjukkan kelipatan 0,5 mm. Skala tetap = 4,5 × 1 mm = 4,5mm. Siapa hasil pengukuran mikrometer sekrup? Perhatikan garis yang paling mendekati ujung skala nonius. Pertama, kita baca dahulu hasil pengukuran di skala utama. Hasil = skala tetap + skala nonius. Hasil ini memiliki ketelitian sebesar 0.01 mm. Seorang anak melakukan pengukuran tebal benda menggunakan mikrometer sekrup terlihat seperti gambar berikut. Perhatikan pengukuran mikrometer sekrup dibawah ini. Skala nonius = 30 × 0,01 mm = 0,30 mm. Cara membaca mikrometer sekrup adalah. Melihat skala utama (horizontal) pada bagian atas dan bawahnya. Over 80% new & buy it now;
Bagaimana untuk pengukuran mikrometer dibawah ini? Pertama, kita baca dahulu hasil pengukuran di skala utama. Hasil ini memiliki ketelitian sebesar 0.01 mm. Jun 21, 2021 · 36+ contoh soal hasil pengukuran mikrometer sekrup pada gambar berikut adalah. Mikrometer sekrup digunakan untuk mengukur ketebalan pelat logam dan diameter bola.
10 Contoh Soal Mikrometer Sekrup Lengkap Dengan Pembahasannya Gammafis Blog from lh4.googleusercontent.com Hasil = 4 mm + 0,30 mm = 4,30 mm. Perhatikan garis yang paling mendekati ujung skala nonius. Perhatikan pengukuran mikrometer sekrup dibawah ini. Siapa hasil pengukuran mikrometer sekrup? Hitunglah hasil dari pengukuran mikrometer dibawah ini ialah …mm. Maka, hasil akhir pengukuran mikrometer sekrup pada contoh ini adalah 5.5 + 0.28 = 5.78mm. Pertama, kita baca dahulu hasil pengukuran di skala utama. Mikrometer sekrup pada umumnya digunakan untuk mengukur diameter atau ketebalan suatu benda yang ukurannya kecil.
Mikrometer sekrup mempunyai skala utama dan skala nonius/putar.
Maka, hasil akhir pengukuran mikrometer sekrup pada contoh ini adalah 5.5 + 0.28 = 5.78mm. Hasil ini memiliki ketelitian sebesar 0.01 mm. Mar 11, 2021 · soal 2. Pertama, kita baca dahulu hasil pengukuran di skala utama. Mikrometer sekrup digunakan untuk mengukur ketebalan pelat logam dan diameter bola. Cara membaca mikrometer sekrup adalah. Perhatikan garis yang paling mendekati ujung skala nonius. Hasil = skala tetap ditambah skala nonius. Mikrometer sekrup digunakan untuk mengukur ketebalan pelat logam dan diameter bola. Skala terkecil mikrometer sekrup adalah 0,01 mm dan ketelitiannya sebesar 0,005 mm. Hasil = skala tetap + skala nonius. Bagaimana cara mengukur ketelitian mikrometer sekrup? Jul 29, 2018 · cara membaca hasil pengukuran mikrometer sekrup adalah sebagai berikut.
Jul 29, 2018 · cara membaca hasil pengukuran mikrometer sekrup adalah sebagai berikut. Skala terkecil mikrometer sekrup adalah 0,01 mm dan ketelitiannya sebesar 0,005 mm. Mikrometer sekrup digunakan untuk mengukur ketebalan pelat logam dan diameter bola. Melihat skala utama (horizontal) pada bagian atas dan bawahnya. Cara membaca mikrometer sekrup adalah.
Pengukuran Mikrometer Sekrup Fisika Indonesia from fisika.id This is the new ebay. Mikrometer sekrup digunakan untuk mengukur ketebalan pelat logam dan diameter bola. Skala tetap = 4,5 × 1 mm = 4,5mm. Skala terkecil mikrometer sekrup adalah 0,01 mm dan ketelitiannya sebesar 0,005 mm. Mikrometer sekrup pada umumnya digunakan untuk mengukur diameter atau ketebalan suatu benda yang ukurannya kecil. Skala nonius = 46 × 0,01 mm = 0,46mm. Jadi, hasil pengukurannya 4,30 mm. Skala terkecil mikrometer sekrup adalah 0,01 mm dan ketelitiannya sebesar 0,005 mm.
Jun 21, 2021 · 36+ contoh soal hasil pengukuran mikrometer sekrup pada gambar berikut adalah.
We have almost everything on ebay. Pengukuran tebal batang terlihat seperti gambar dibawah ini. Hasil = 4 mm + 0,30 mm = 4,30 mm. Jan 20, 2017 · jawaban: Hasil = skala tetap ditambah skala nonius. Siapa hasil pengukuran mikrometer sekrup? Maka, hasil pengukuran dari gambar diatas adalah 6,94 mm; Maka, hasil akhir pengukuran mikrometer sekrup pada contoh ini adalah 5.5 + 0.28 = 5.78mm. Skala terkecil mikrometer sekrup adalah 0,01 mm dan ketelitiannya sebesar 0,005 mm. Cara membaca mikrometer sekrup adalah. Jadi, hasil pengukurannya 4,30 mm. Skala nonius = 46 × 0,01 mm = 0,46mm. Hitunglah hasil dari pengukuran mikrometer dibawah ini ialah …mm.
Berbagi
Posting Komentar
untuk "Hasil Pengukuran Mikrometer Sekrup Pada Gambar Berikut Adalah : Mikrometer Sekrup Penjelasan Cara Menggunakan Dan Cara Membaca / Pada gambar, skala utama bagian atas menunjukkan kelipatan 1 mm, sementara bagian bawahnya berfungsi untuk menunjukkan kelipatan 0,5 mm."
Posting Komentar untuk "Hasil Pengukuran Mikrometer Sekrup Pada Gambar Berikut Adalah : Mikrometer Sekrup Penjelasan Cara Menggunakan Dan Cara Membaca / Pada gambar, skala utama bagian atas menunjukkan kelipatan 1 mm, sementara bagian bawahnya berfungsi untuk menunjukkan kelipatan 0,5 mm."